Angular Contact Ball Bearings
| Boundary dimensions (mm) |
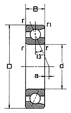
Pressure cone apex |
Bearing number |
Basic dynamic load ratings Cr (N) |
| d |
D |
B |
r min |
r 1min |
apex a (mm) |
Single |
Duplex |
Single |
Duplex |
| 10 |
26 |
8 |
0.3 |
0.15 |
-1.9 |
7000CU |
7000CDU |
5350 |
8700 |
| 30 |
9 |
0.6 |
0.3 |
-2.2 |
7200CU |
7200CDU |
6450 |
10500 |
| 12 |
28 |
8 |
0.3 |
0.15 |
-1.7 |
7001CU |
7001CDU |
5800 |
9450 |
| 32 |
10 |
0.6 |
0.3 |
-2.5 |
7201CU |
7201CDU |
7950 |
13000 |
| 15 |
32 |
9 |
0.3 |
0.15 |
-1.8 |
7002CU |
7002CDU |
6300 |
10200 |
| 35 |
11 |
0.6 |
0.3 |
-2.6 |
7202CU |
7202CDU |
8700 |
14200 |
| 17 |
35 |
10 |
0.3 |
0.15 |
-2.0 |
7003CU |
7003CDU |
6650 |
10800 |
| 40 |
12 |
0.6 |
0.3 |
-2.7 |
7203CU |
7203CDU |
10900 |
17800 |
| 20 |
42 |
12 |
0.6 |
0.3 |
-2.4 |
7004CU |
7004CDU |
11200 |
18200 |
| 47 |
14 |
1 |
0.6 |
-3.1 |
7204CU |
7204CDU |
14700 |
23800 |
| 25 |
47 |
12 |
0.6 |
0.3 |
-1.8 |
7005CU |
7005CDU |
12900 |
21000 |
| 52 |
15 |
1 |
0.6 |
-3.1 |
7205CU |
7205CDU |
16700 |
27100 |
| 30 |
55 |
13 |
1 |
0.6 |
-1.6 |
7006CU |
7006CDU |
15300 |
24800 |
| 62 |
16 |
1 |
0.6 |
-2.7 |
7206CU |
7206CDU |
23200 |
37500 |
| 35 |
62 |
14 |
1 |
0.6 |
-1.4 |
7007CU |
7007CDU |
19300 |
31000 |
| 72 |
17 |
1.1 |
0.6 |
-2.8 |
7207CU |
7207CDU |
30500 |
49500 |
| 40 |
68 |
15 |
1 |
0.6 |
-1.3 |
7008CU |
7008CDU |
19900 |
32500 |
| 80 |
18 |
1.1 |
0.6 |
-2.1 |
7208CU |
7208CDU |
36500 |
59500 |
| 45 |
75 |
16 |
1 |
0.6 |
-1.1 |
7009CU |
7009CDU |
24600 |
40000 |
| 85 |
19 |
1.1 |
0.6 |
-2.0 |
7209CU |
7209CDU |
41000 |
66500 |
| 50 |
80 |
16 |
1 |
0.6 |
-0.5 |
7010CU |
7010CDU |
26200 |
42500 |
| 90 |
20 |
1.1 |
0.6 |
-1.9 |
7210CU |
7210CDU |
4300 |
70000 |
| 55 |
90 |
18 |
1.1 |
0.6 |
-0.6 |
7011CU |
7011CDU |
3450 |
56000 |
| 100 |
21 |
1.5 |
1 |
-1.6 |
7211CU |
7211CDU |
53000 |
86500 |
| 60 |
95 |
18 |
1.1 |
0.6 |
-0.1 |
7012CU |
7012CDU |
35500 |
57500 |
| 110 |
22 |
1.5 |
1 |
-1.2 |
7212CU |
7212CDU |
64500 |
105000 |
| 65 |
100 |
18 |
1.1 |
0.6 |
0.5 |
7013CU |
7013CDU |
37500 |
60500 |
| 120 |
23 |
1.5 |
1 |
-0.8 |
7213CU |
7213CDU |
73500 |
120000 |
| 70 |
110 |
20 |
1.1 |
0.6 |
0.4 |
7014CU |
7014CDU |
47000 |
76500 |
| 125 |
24 |
1.5 |
1 |
-0.7 |
7214CU |
7214CDU |
80000 |
130000 |
| 75 |
115 |
20 |
1.1 |
0.6 |
1.0 |
7015CU |
7015CDU |
48500 |
78500 |
| 130 |
25 |
1.5 |
1 |
-0.7 |
7215CU |
7215CDU |
83500 |
135000 |
| 80 |
125 |
22 |
1.1 |
0.6 |
0.8 |
7016CU |
7016CDU |
59000 |
96000 |
| 140 |
26 |
2 |
1 |
-0.3 |
7216CU |
7216CDU |
93500 |
152000 |
| 85 |
130 |
22 |
1.1 |
0.6 |
1.4 |
7017CU |
7017CDU |
60500 |
98500 |
| 150 |
28 |
2 |
1 |
-0.4 |
7217CU |
7217CDU |
100000 |
163000 |
| 90 |
140 |
24 |
1.5 |
1 |
1.3 |
7018CU |
7018CDU |
72000 |
117000 |
| 160 |
30 |
2 |
1 |
-0.6 |
7218CU |
7218CDU |
124000 |
201000 |
| 100 |
145 |
24 |
1.5 |
1 |
1.9 |
7019CU |
7019CDU |
74000 |
120000 |
| 170 |
32 |
2.1 |
1.1 |
-0.7 |
7219CU |
7219CDU |
132000 |
215000 |
| 100 |
150 |
24 |
1.5 |
1 |
2.4 |
7020CU |
7020CDU |
76000 |
123000 |
| 180 |
34 |
2.1 |
1.1 |
-0.8 |
7220CU |
7220CDU |
150000 |
244000 |
| Basic number |
Basic static load ratings Cor (N) |
Speed Ratings (r.p.m.) |
Abutment and fillet dimensions (mm) |
Mass (kg) Single Bearing |
| Grease lubrication |
Oil lubrication |
| Single |
Duplex |
Single |
Duplex |
Single |
Duplex |
D 1 (max.) |
d 1 (max.) |
d 2 (max.) |
R (max.) |
R 1 (min.) |
| 7000C |
2430 |
4850 |
43000 |
33000 |
55000 |
44000 |
12 |
24 |
25 |
0.3 |
0.15 |
0.022 |
| 7200C |
2940 |
5900 |
38000 |
30000 |
50000 |
40000 |
15 |
25 |
27.4 |
0.6 |
0.3 |
0.034 |
| 7001C |
2740 |
5500 |
38000 |
30000 |
50000 |
40000 |
14 |
26 |
27 |
0.3 |
0.15 |
0.024 |
| 7201C |
3780 |
7550 |
34000 |
26000 |
45000 |
36000 |
17 |
27 |
29.4 |
0.6 |
0.3 |
0.040 |
| 7002C |
3100 |
6150 |
32000 |
24000 |
43000 |
34000 |
17 |
30 |
31 |
0.3 |
0.15 |
0.035 |
| 7202C |
4300 |
8600 |
30000 |
23000 |
40000 |
32000 |
20 |
30 |
32.4 |
0.6 |
0.3 |
0.048 |
| 7003C |
3400 |
6800 |
28000 |
22000 |
38000 |
30000 |
19 |
33 |
34 |
0.3 |
0.15 |
0.045 |
| 7203C |
5500 |
11000 |
25000 |
20000 |
34000 |
28000 |
22 |
35 |
37.4 |
0.6 |
0.3 |
0.070 |
| 7004C |
5950 |
11900 |
22000 |
18000 |
32000 |
26000 |
24 |
38 |
40 |
0.6 |
0.3 |
0.079 |
| 7204C |
7650 |
15300 |
21000 |
17000 |
30000 |
24000 |
26 |
41 |
43.4 |
1 |
0.5 |
0.110 |
| 7005C |
7600 |
13200 |
19000 |
15000 |
28000 |
22000 |
29 |
43 |
45 |
0.6 |
0.3 |
0.091 |
| 7205C |
9350 |
18700 |
18000 |
15000 |
26000 |
20000 |
31 |
46 |
48.4 |
1 |
0.5 |
0.135 |
| 7006C |
9000 |
18000 |
17000 |
14000 |
24000 |
19000 |
35 |
50 |
52 |
1 |
0.5 |
0.135 |
| 7206C |
13400 |
26900 |
16000 |
13000 |
22000 |
17000 |
36 |
56 |
58.4 |
1 |
0.5 |
0.210 |
| 7007C |
12000 |
23900 |
15000 |
13000 |
20000 |
17000 |
40 |
57 |
59 |
1 |
0.5 |
0.170 |
| 7207C |
18300 |
36500 |
13000 |
11000 |
18000 |
15000 |
42 |
65 |
67 |
1 |
0.6 |
0.295 |
| 7008C |
12900 |
25800 |
13000 |
10000 |
18000 |
15000 |
45 |
63 |
65 |
1 |
0.5 |
0.210 |
| 7208C |
22800 |
45500 |
12000 |
9500 |
17000 |
13000 |
47 |
73 |
75 |
1 |
0.6 |
0.380 |
| 7009C |
16600 |
33000 |
11000 |
9500 |
16000 |
13000 |
50 |
70 |
72 |
1 |
0.5 |
0.265 |
| 7209C |
26000 |
52000 |
11000 |
9000 |
15000 |
12000 |
52 |
78 |
80 |
1 |
0.6 |
0.430 |
| 7010C |
18600 |
37000 |
10000 |
9000 |
15000 |
12000 |
55 |
75 |
77 |
1 |
0.5 |
0.285 |
| 7210C |
28300 |
56500 |
9500 |
8000 |
14000 |
11000 |
57 |
83 |
85 |
1 |
0.6 |
0.485 |
| 7011C |
24500 |
49000 |
9500 |
8000 |
14000 |
11000 |
61 |
84 |
86 |
1 |
0.6 |
0.420 |
| 7211C |
35500 |
71500 |
9000 |
7500 |
13000 |
10000 |
64 |
91 |
94.6 |
1.5 |
0.8 |
0.635 |
| 7012C |
26000 |
52000 |
9000 |
7500 |
13000 |
10000 |
66 |
89 |
91 |
1 |
0.6 |
0.450 |
| 7212C |
44000 |
88000 |
8000 |
6500 |
12000 |
9500 |
69 |
101 |
104.6 |
1.5 |
0.8 |
0.820 |
| 7013C |
29000 |
58000 |
8500 |
7100 |
12000 |
9500 |
71 |
94 |
96 |
1 |
0.6 |
0.470 |
| 7213C |
52000 |
104000 |
8000 |
6500 |
11000 |
8500 |
74 |
111 |
114.6 |
1.5 |
0.8 |
1.02 |
| 7014C |
36500 |
73000 |
7800 |
6700 |
11000 |
9000 |
76 |
104 |
106 |
1 |
0.6 |
0.660 |
| 7214C |
57500 |
115000 |
7500 |
6000 |
10000 |
8000 |
79 |
116 |
119.6 |
1.5 |
0.8 |
1.12 |
| 7015C |
38500 |
76500 |
7300 |
5900 |
10000 |
8500 |
81 |
109 |
111 |
1 |
0.6 |
0.695 |
| 7215C |
61500 |
123000 |
7000 |
5600 |
9500 |
7500 |
84 |
121 |
124.6 |
1.5 |
0.8 |
1.23 |
| 7016C |
47000 |
93500 |
6800 |
5500 |
9300 |
7400 |
86 |
119 |
121 |
1 |
0.6 |
0.925 |
| 7216C |
68500 |
137000 |
6700 |
5300 |
9000 |
7300 |
90 |
130 |
134 |
2 |
1 |
1.50 |
| 7017C |
49000 |
98500 |
6600 |
5400 |
9100 |
7700 |
91 |
124 |
126 |
1 |
0.6 |
0.960 |
| 7217C |
74500 |
149000 |
6300 |
5000 |
8500 |
6700 |
95 |
140 |
144 |
2 |
1 |
1.87 |
| 7018C |
58500 |
117000 |
6300 |
5000 |
8500 |
7000 |
97 |
133 |
135.6 |
1.5 |
0.8 |
1.26 |
| 7218C |
93000 |
186000 |
5600 |
4700 |
7800 |
6200 |
100 |
150 |
154 |
2 |
1 |
2.30 |
| 7019C |
61500 |
123000 |
5700 |
4600 |
7800 |
6500 |
102 |
138 |
140.6 |
1.5 |
0.8 |
1.36 |
| 7219C |
101000 |
201000 |
5600 |
4300 |
7500 |
6000 |
107 |
158 |
163 |
2 |
1 |
2.78 |
| 7020C |
64500 |
129000 |
5600 |
4500 |
7500 |
6300 |
107 |
143 |
145.6 |
1.5 |
0.8 |
1.37 |
| 7220C |
113000 |
226000 |
5300 |
4200 |
7000 |
5600 |
112 |
168 |
173 |
2 |
1 |
3.32 |
Agent : RIV Company
6 Orabi Street,
P.O.Box 101, Cairo 11511, Egypt
Tel. : +202-5749921, +202-5759921
Fax. : +202-5776236, Tlx. : 92808 RIV UN
rivorg@riv.org
Back to Home, RIV, Egypt Bearings Egypt
Stieber .. BackStops & Freewheels
IKO Needle Bearings, Japan
Mirror Site #1, RIV, Egypt Bearings Egypt
Mirror Site #2, RIV, Egypt Bearings Egypt
VXB Bearing
Miniature Bearing
American Bearings
Ceramic Bearings
Dental Bearing